2 فایل پیوست
مدارهای شارژر باتری اتومبیل
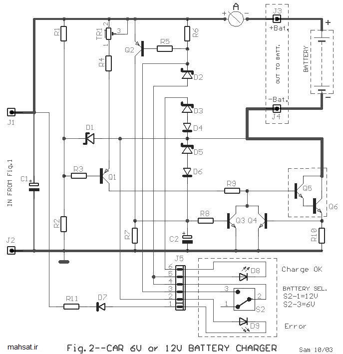
یک مدار بسیار عالی جهت شارژ باتری های ۶ ولت یا ۱۲ ولت اتومبیل ها با برق شهر. [توجه]تغذیه این مدار از برق شهر است.
[/توجه] [توجه]این مدار در برار اتصال کوتاه ایمن می باشد.
[/توجه]
فایل پیوست 608
فایل پیوست 610
لیست قطعات این مدار از قرار زیر است
:
| R1-11=1K ohm 0.5W 5% |
D3=4.7V 0.4W Zener |
C1=4700uF 40V |
| R2=22K ohm 0.5W 5% |
D4-6-7=1N4148 |
C2=1uF 25V |
| R3-5-8=10K ohm 0.5W 5% |
D5=18V 0.4W Zener |
T1=230Vac//15V 10A Transf. [See Text] |
| R4=2.2K ohm 0.5W 5% |
D8=LED 5mm Yellow |
F1=Fuse 1A Slo Blo [5X20mm] |
| R6=100 ohm 0.5W 5% |
D9=LED 5mm Red |
S1=2X2 Switch 10A per contact |
| R7=100K ohm 0.5W 5% |
Q1-2=BC557 |
S2=1X2 step mini switch |
| R9=470 ohm 0.5W 5% |
Q3-4=BC547 |
J1…4=Flat Pin Connector |
| R10=0.08 ohm 10W [2X0.18 ohm parallel] 5W |
Q5=BD139 [On Heatsink] |
J5=6pin Connector 2.54mm pin step |
| B1=Bridge Rectifier 25A/40V |
Q6=2N3055 [On Heatsink] |
A=0-10A Ampere meter |
| D1-2=6.8V 0.4W Zener |
TR1=4.7K Trimmer Pot. |
Batt=12V or 6V Battery
|
1 فایل پیوست
مدار شارژر باطری ماشین و موتورسیکلت
امروز برای دوستان گرامی مدار یک شارژر خوب برای باطری ماشین و موتور سیکلت را آماده کرده ایم ، این مدار به وسیله یک ترانسفورماتور 12 ولتی 5 آمپر تغذیه می شود و براحتی باطری های اسیدی را شارژ می کند . ترانس مورد استفاده باید دارای سه سر خروجی باشد ، از جمله دیگر قطعات مورد استفاده در این مدار می توان به دو عدد دیود یکسوساز 4007 ساده و یک عدد خازن شیمیایی 2200 میکروفاراد 25 ولتی و یک آمپرمتر اشاره کرد .