ورود به حساب ثبت نام جدید فراموشی کلمه عبور
برای ورود به حساب کاربری خود، نام کاربری و کلمه عبورتان را در زیر وارد کرده و روی «ورود به سایت» کلیک کنید.





اگر فرم ثبت نام برای شما نمایش داده نمی‌شود، اینجا را کلیک کنید.









اگر فرم بازیابی کلمه عبور برای شما نمایش داده نمی‌شود، اینجا را کلیک کنید.





نمایش نتایج: از 1 به 3 از 3
  1. #1
    تاریخ عضویت
    2012/12/01
    محل سکونت
    اصفهان
    نوشته ها
    430
    144
    مدیر کل سایت

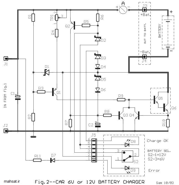
    مدارهای شارژر باتری اتومبیل

    یک مدار بسیار عالی جهت شارژ باتری های ۶ ولت یا ۱۲ ولت اتومبیل ها با برق شهر. [توجه]تغذیه این مدار از برق شهر است.
    [/توجه] [توجه]این مدار در برار اتصال کوتاه ایمن می باشد.
    [/توجه]
    برای دیدن سایز بزرگ روی عکس کلیک کنید

نام: car_batt_6_12_charger_a.jpg
مشاهده: 1604
حجم: 26.6 کیلو بایت


    برای دیدن سایز بزرگ روی عکس کلیک کنید

نام: car_batt_6_12_charger_b.jpg
مشاهده: 1554
حجم: 93.7 کیلو بایت



    لیست قطعات این مدار از قرار زیر است:


    R1-11=1K ohm 0.5W 5% D3=4.7V 0.4W Zener C1=4700uF 40V
    R2=22K ohm 0.5W 5% D4-6-7=1N4148 C2=1uF 25V
    R3-5-8=10K ohm 0.5W 5% D5=18V 0.4W Zener T1=230Vac//15V 10A Transf. [See Text]
    R4=2.2K ohm 0.5W 5% D8=LED 5mm Yellow F1=Fuse 1A Slo Blo [5X20mm]
    R6=100 ohm 0.5W 5% D9=LED 5mm Red S1=2X2 Switch 10A per contact
    R7=100K ohm 0.5W 5% Q1-2=BC557 S2=1X2 step mini switch
    R9=470 ohm 0.5W 5% Q3-4=BC547 J1…4=Flat Pin Connector
    R10=0.08 ohm 10W [2X0.18 ohm parallel] 5W Q5=BD139 [On Heatsink] J5=6pin Connector 2.54mm pin step
    B1=Bridge Rectifier 25A/40V Q6=2N3055 [On Heatsink] A=0-10A Ampere meter
    D1-2=6.8V 0.4W Zener TR1=4.7K Trimmer Pot. Batt=12V or 6V Battery
    هرکجا محرم شدی چشم از خیانت باز دار
    ای بسا محرم که بایک نقطه مجرم میشود

  2. #2
    تاریخ عضویت
    2012/12/01
    محل سکونت
    اصفهان
    نوشته ها
    430
    144
    مدیر کل سایت

    مدار شارژر باطری ماشین و موتورسیکلت

    امروز برای دوستان گرامی مدار یک شارژر خوب برای باطری ماشین و موتور سیکلت را آماده کرده ایم ، این مدار به وسیله یک ترانسفورماتور 12 ولتی 5 آمپر تغذیه می شود و براحتی باطری های اسیدی را شارژ می کند . ترانس مورد استفاده باید دارای سه سر خروجی باشد ، از جمله دیگر قطعات مورد استفاده در این مدار می توان به دو عدد دیود یکسوساز 4007 ساده و یک عدد خازن شیمیایی 2200 میکروفاراد 25 ولتی و یک آمپرمتر اشاره کرد .
    شماتیک و مدار شارژر

    برای دیدن سایز بزرگ روی عکس کلیک کنید

نام: 168410.gif
مشاهده: 1673
حجم: 5.5 کیلو بایت

    هرکجا محرم شدی چشم از خیانت باز دار
    ای بسا محرم که بایک نقطه مجرم میشود

  3. #3
    تاریخ عضویت
    2012/12/01
    محل سکونت
    اصفهان
    نوشته ها
    430
    144
    مدیر کل سایت
    [توجه]
    توجه
    [/توجه]

    جریان شارژ باید یک دهم ظرفیت باتری باشه یعنی باتری 1800 میلی آمپر با جریان ثابت 180 میلی آمپر شارژ میشه و برای باتری خالی حدود 10 ساعت طول میکشه! و این برای انجام فرآیند شارژ مطمئن هستش که میگن یک دهم ظرفیت باتری چون اینجا باتری اگر اتفاقی چند روز زیر شارژ بود آسیبی نبینه وگرنه شما میتونین جریان شارژ رو برای شارژ سریع افزایش بدین ولی باید دما و ولتاژ باتری رو مراقب باشین.
    باتری های ماشین که اسمشون سیلد اسید یا سربی- اسیدی هستند، در دو نوع خشک و تر هستن و مثل باتری های Li-io شارژ میشن و این باتری ها بر خلاف باتری های Ni-Cd و Ni-MH با ولتاژ ثابت شارژ میشن پس با در نظر گرفتن جریان شارژ میتونین متوجه بشین که باتری کی شارژ شده.
    خیلی ساده باتری 12 ولتی رو باید با ولتاژ 13.8 ولت DC شارژ کنید (2.3 ولت به ازای هر سلول) و با یک آمپر متر که در مسیر شارژ قرار گرفته، جریان رو تحت نظر بگیرین و اگر جریان شارژ به اندازه یک دهم ظرفیت باتری افت کرد، یعنی باتری شارژ شده.
    حالا اینجا اگر پاور شارژر آمپرش بیشتر باشه تاثیری نداره ولی باید برای شارژ کامل، کافی باشه حالا اگر میخوایین باتری سریعتر شارژ بشه باید ولتاژ شارژ رو 14.8 در نظر بگیرین ولی باید مراقب جریان باشین (و باتری زیاد گرم نشه).
    موفق باشین.
    هرکجا محرم شدی چشم از خیانت باز دار
    ای بسا محرم که بایک نقطه مجرم میشود

نمایش نتایج: از 1 به 3 از 3

کاربرانی که این تاپیک را مشاهده کرده اند: 0

هیچ عضوی در لیست وجود ندارد.

کلمات کلیدی این موضوع

مجوز های ارسال و ویرایش

  • شما نمیتوانید موضوع جدیدی ارسال کنید
  • شما امکان ارسال پاسخ را ندارید
  • شما نمیتوانید فایل پیوست کنید.
  • شما نمیتوانید پست های خود را ویرایش کنید
  •